

全國服務熱線
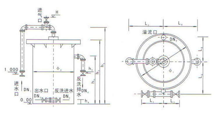
除鐵除錳過濾器
ctm型除鐵錳過濾器適用于含鐵在10mg/l以下,含錳在2mg/l以下,ph值不低于5.5的地下水除鐵除錳處理,經處理后水中含鐵量小于0.3mg/l,含錳量小于0.1mg/l,符合國家生活飲用水標準。
地下水中鐵、錳一般以低價狀態存在,本裝置采用高效的吸氣裝置向深井水源吸水口加氣,水量經過充分接觸混合,使水中的低價鐵、錳氧化成為高價狀態,然后經過石英砂或天然錳砂濾料氧化、吸附、過濾而達到處理的目的。

使用范圍
該型過濾器適用于城市及農村中小型供水系統,亦可用于自備地下水源的工礦企業,作為軟化水的預處理設備以及作為地下水處理工藝中的主要設備。
過濾濾速:8~10 m/h,濾料:石英砂或天然錳砂(根據水源水質選定濾料種類)、濾料層高:1.3m

